RMB
HKD
USD
首页
产品导航
所有分类
制造商
资讯中心
BOM询价
会员中心
关于我们
Language
询价
首页
>
产品中心
>
09185107803
09185107803
制造商:
HARTING Elektronik
Datasheet:
09185107803
型号描述:
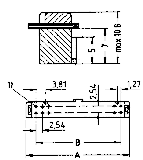
DIN 41612 Connectors 10P FML IDC SOCKET W/O STRAIN RELIEF
请输入数量:
数量:
0
价格:
¥
6.9552
总价:
¥
6.955
数量
价格
总价
1+
¥6.9552
¥6.9552
1000+
¥6.8586
¥6858.6